苏州尼隆机电科技有限公司_限速器_张紧装置

常规家用梯限速器

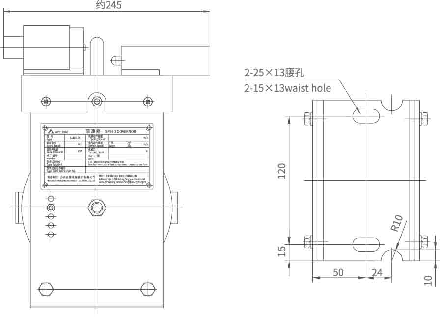
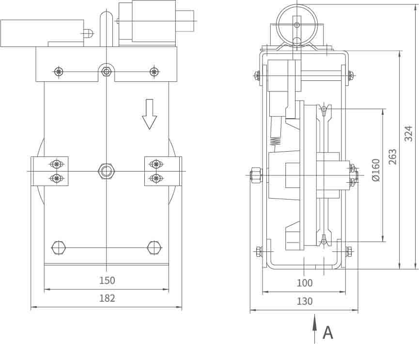
XS102-04
家用梯限速器

产品规格

Category
主要参数

XS102-04
家用梯限速器

Rated Speed
额定速度

≤0.4m/s

Rated Diameter
钢丝绳直径

⌀6mm

Sheave Diameter
绳轮节径

⌀160mm

Pull Force
钢丝绳提拉力

≥500N

Pull Height
适用提升高度

≤12M

Switch Safety Circuit Voltage Class
开关安全回路电压等级

AC220V

Switch Reset Electromagnet Voltage Class
开关复位电磁铁电压等级

AC220V

Trigger Motion Electromagnet Voltage Class
触发动作电磁铁电压等级

AC220V

特性描述

    本限速器为无机房双向限速器,开关具有远程电控复位功能,电磁铁能实现远程触发动作。

外型尺寸图