苏州尼隆机电科技有限公司_限速器_张紧装置

常规有机房限速器

XS101-08
有机房限速器

产品规格

Category
主要参数

XS101-08
有机房限速器

Rated Speed
适用速度/范围

≤2.5m/s

Rated Diameter
钢丝绳直径

⌀8mm

Sheave Diameter
绳轮节径

⌀240mm

Pull Force
钢丝绳提拉力

600N~2000N

Pull Height
适用提升高度

≤120M

特性描述

    本限速器为桥厢意外移动(下行)保护专用,当电梯发生意外移动(下行)时电磁铁接收电信号,电磁铁动作触发限速器动作;限速器转动半圈内即可实现动作,复位为手动复位。

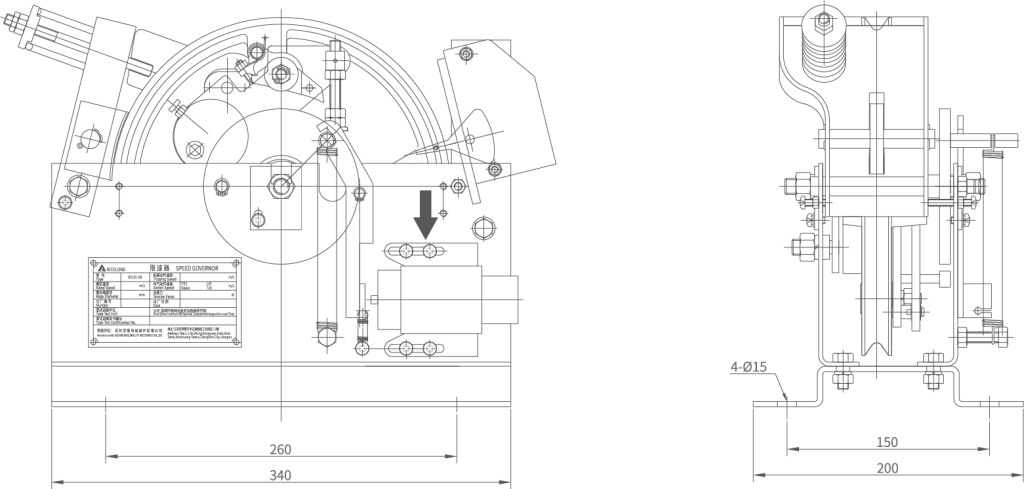
外型尺寸图

G03:带半封闭外罩及“几”字形底座