国内专业从事电梯安全部件研发、制造和销售的企业,为国内外电梯知名品牌提供服务,产品拥有自主知识产权并获得高新技术产品认定证书,公司系江苏省高新技术企业、江苏省民营科技企业。
江苏省常熟市辛庄工业园区中港路8号
0512-52071698
sale@sznldt.com
首页
关于我们
企业介绍
企业文化
智能开发
智造空间
资质荣誉
新闻资讯
产品中心
限速器/张紧装置系列
安全钳系列
安全制动装置系列
缓冲器系列
导靴系列
曳引机制动器系列
服务支持
人性化服务
服务网络
加入我们
简体中文
ENGLISH
Email.
sale@sznldt.com
Call.
0512-52071698
工作时间.
Mon - Sat 8.00 - 17.00
首页
关于我们
企业介绍
企业文化
智能开发
智造空间
资质荣誉
新闻资讯
产品中心
限速器/张紧装置系列
安全钳系列
安全制动装置系列
缓冲器系列
导靴系列
曳引机制动器系列
服务支持
人性化服务
服务网络
加入我们
简体中文
ENGLISH
联系我们
返回
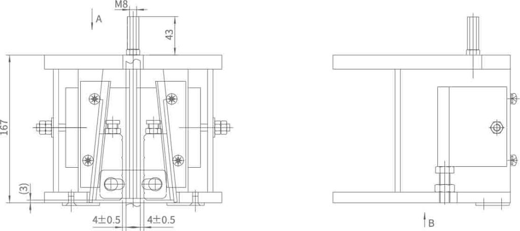
U簧类常规安全钳
AQ112-01/
AQ112-02
渐进式安全钳
产品规格
Category
主要参数
AQ112-01/AQ112-02
渐进式安全钳
Allowable Mass
适用质量(P+Q)
700~4500kg
Rated Speed
适用速度/范围
0.25-2.5m/s
Width Of Guide Rails
适用导轨宽度
9、10、15.88、16mm
Guide Rail Lubrication
导轨润滑
有/无
Y/N
外形尺寸图
单提拉方式
双提拉方式